Описание
Характеристики
Отзывы
Описание
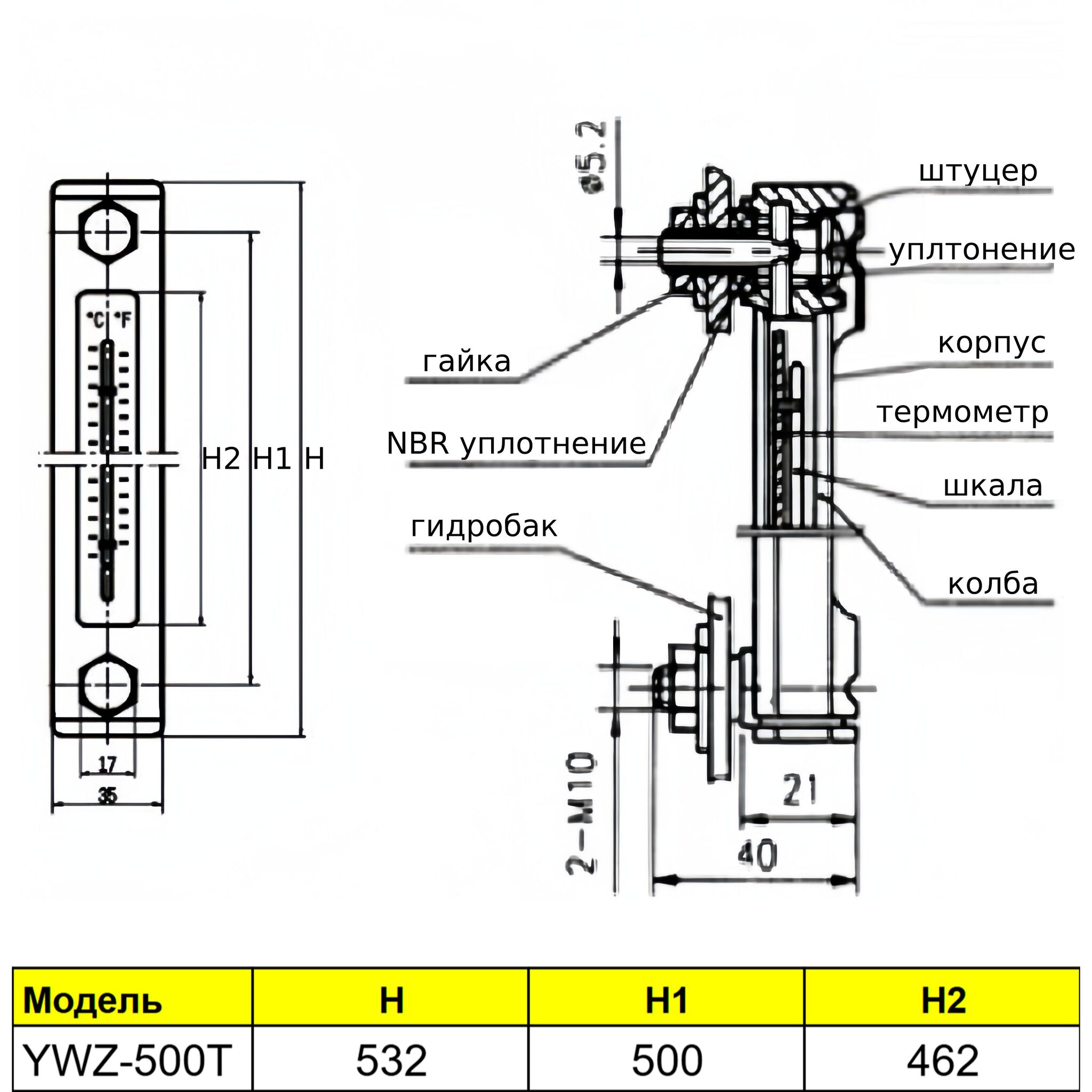
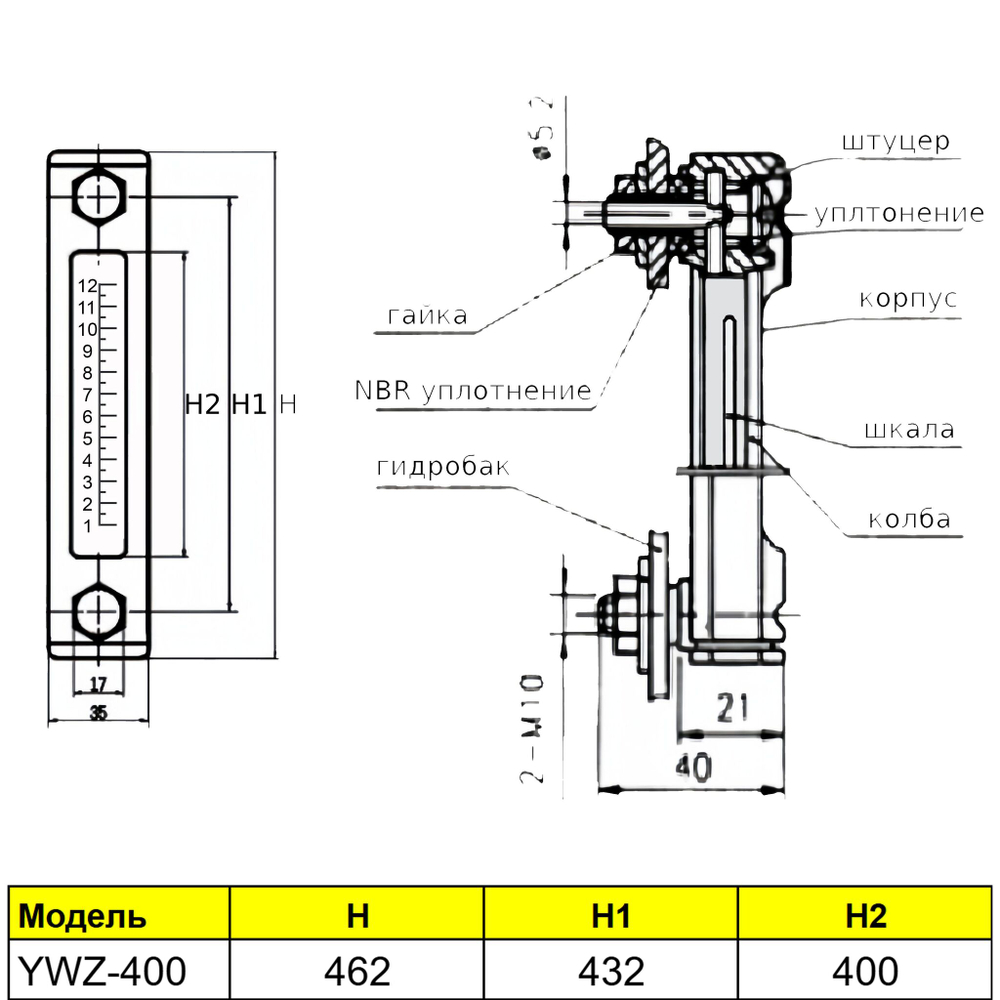
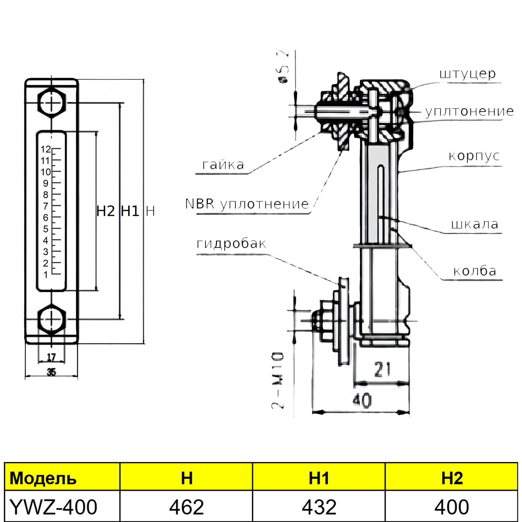
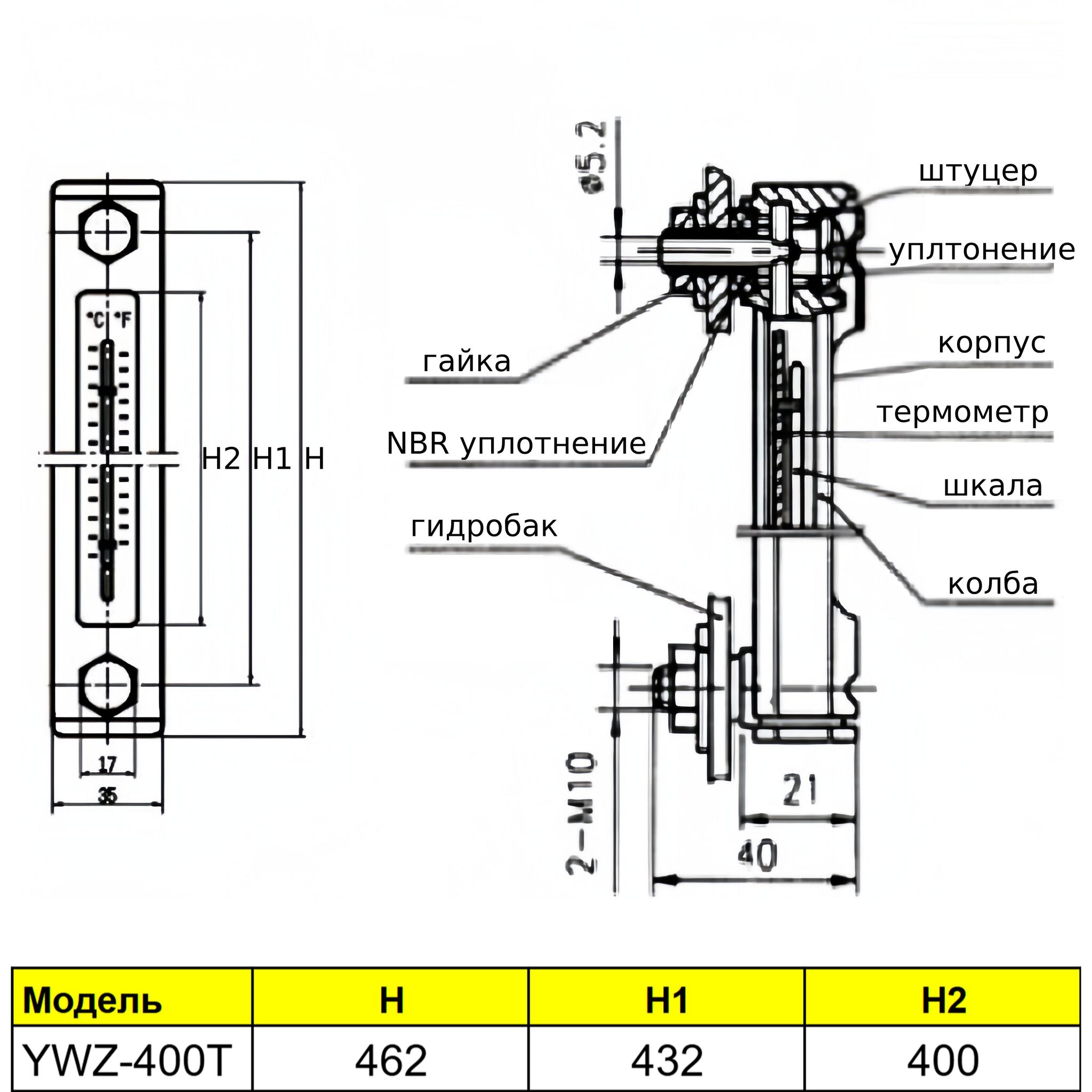
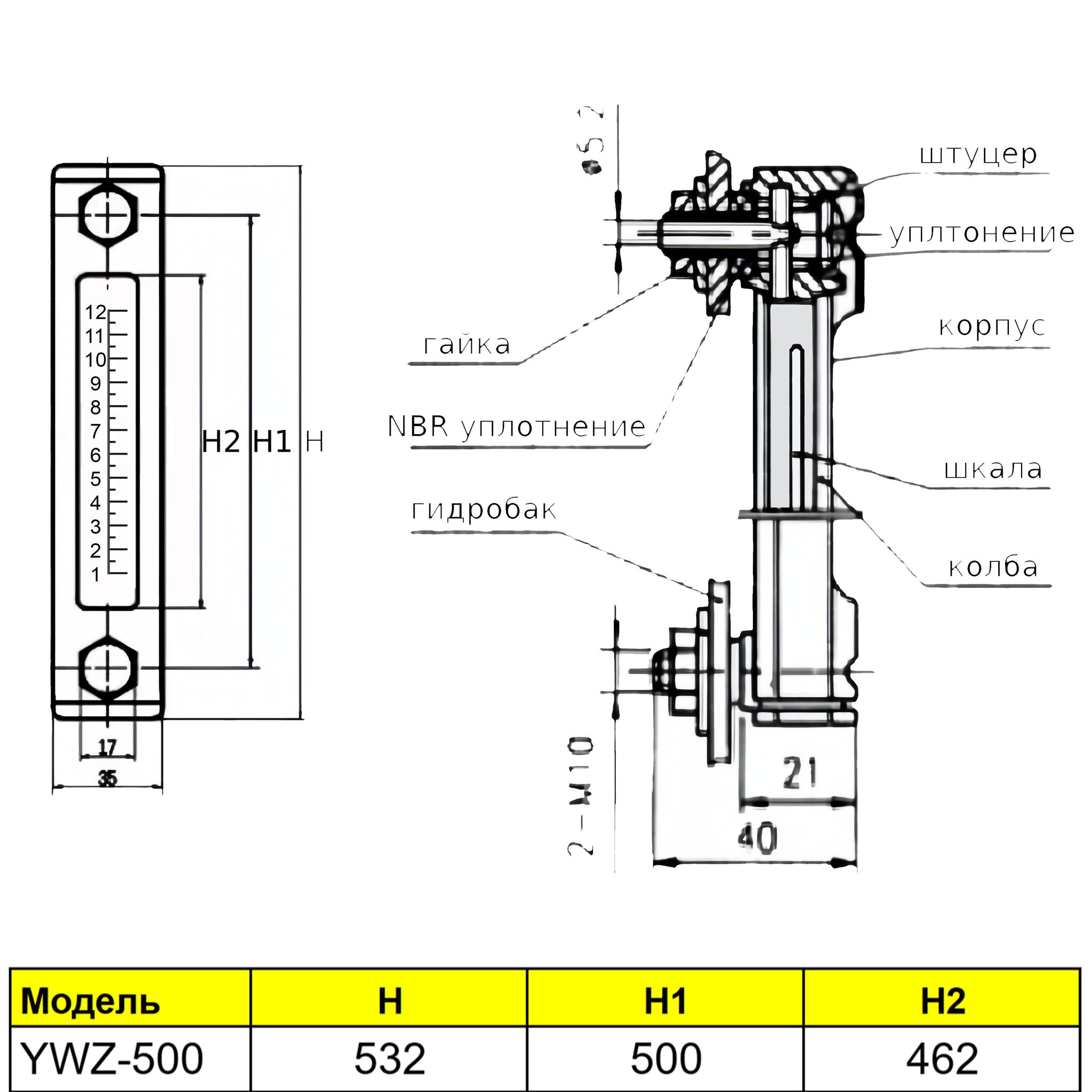
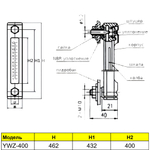
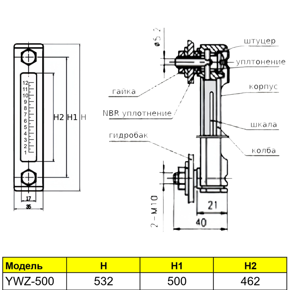
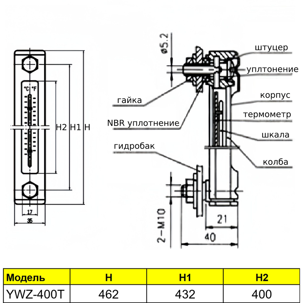
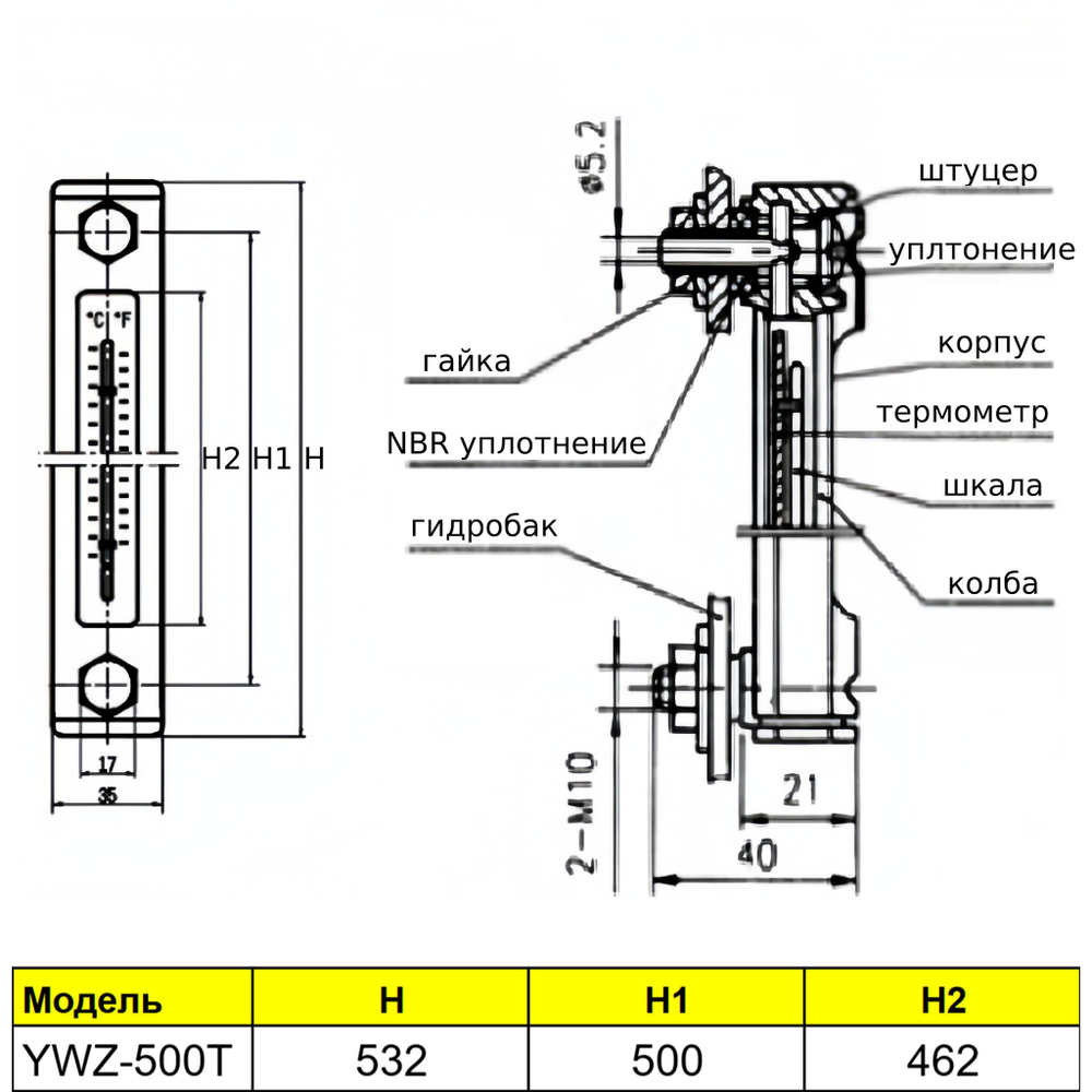
"Индикатор используются для визуального контроля уровня гидравлической жидкости в гидробаке. Изготовлен из прочного технополимера и прозрачной трубки из полиамида. Индикатор укомплектован уплотнителями из NBR маслостойкой резины, что обеспечивает герметичный монтажа на внешнюю стенку гидробака.
Расстояние между штуцерами 200 мм
Штуцер М10х1,5
Размер смотрового окна 150 мм
Размер корпуса 227 мм
Рассчитан на максимальное давление в 2 бара, при рабочей температуре — 20 Сº до + 100Сº. Рекомендуемые минеральные масла гидросистемы типов HH, HM, HR, HV, HG."
Характеристики
Бренд
TDT-55
Количество, штук
1
Отзывы
Отзывов еще никто не оставлял
